进年来,我国的市政建设取得了飞速的发展,道路照明质量不断提高,高强度气体放电灯被广泛使用,对改善我国的投资环境,促进经济快速发展,方便群众生活,美化城市和作为一个外向型现代化城市的建设起了很大作用。但是伴随而来的是能耗的大幅度提高,特别是近年来能源价格大幅度提升,使电力耗费成为负担,因此,有必要加强技术改进,以期减缓能耗上升的趋势。在全球都在提倡绿色照明的时代,路灯的节能必然成为一种趋势。
为了进一步落实和贯彻执行中华人民共和国建设部研究制定的《“十一五”城市绿色照明工程规划纲要》在城市照明行业大力推进绿色照明工程,道路照明的设计是城市照明节能的关键,我国照明界早已认识到节能的重要性,并开始提倡绿色照明。
2003年,我院对市内世行贷款项目——中华大街、体育大街、槐南路等主要道路照明项目采用了ILUEST智能照明调控装置的设计,节能效果显著,达20%以上。但有一个缺点,成本投资太大,需3-4年才能收回成本,在国家大力推广照明节能的良好形势下,节能产品的研发与应用如雨后春笋般,层出不穷的应用于全国各大城市。
但对照明光源的节能采用何种方式、节能的经济效益有多少、是否有使用和推广的价值,目前尚未得到论证,也未得到同行的认可,因此至今未得到普及应用。本文以数据事实为依据,通过科学的计算,介绍两种照明光源节能的方法,论述在满足交通安全的前提下,节能定量分析及推广使用的可行性和重要性。
一、智能化节能型路灯箱式变电站
(一)、节电原理及产品主要优点 产品节电原理:智能路灯节能装置中配备独特的微电脑控制程序,采用了动态优化的智能控制技术,用以调整动态变化中的系统用电参数,并对其进行优化处理,保障用电系统始终工作于最佳状态的同时达到最佳的节电效果。
此路灯节能装置为人机界面,调节方式灵活;不产生高次谐波,输出端始终是完整的正弦波,对电网无污染,对用户的有线信号、无线信号均无任何干扰,不会对电网产生污染,属于环保型的智能节电产品;能耗小、使用寿命长,提高设备运行效率,减少多余电费支出;相对成本低,回收成本周期短,一般不超过1.5年,特别适于新建线路中;能实时监测,同时对输入、输出电流、电压和功率等参数提供动态数据、故障诊断和自动保护,稳定工作电压,设备运行更稳定可靠;节电效果显著,可达25%--60%针对电网电压偏高和波动等现象,调控装置可根据用户现场实际需求,实时在线调控输出最佳照明工作电压,并将其稳定在±2.5%以内,有效提高电力质量,从而达到稳定最佳工作电压的目的。
根据用户实际的照明需求,调控装置还可通过程序进行多时段节能电压设置,从而满足用户不同光源、不同时间的需求,实现最佳照明状态和最大节电率。
能够实时稳压、控压,路灯后半夜的供电电压会达到250V,智能调控装置高稳定的最佳照明电压,能够延长电光源寿命,减少照明运行及维护费用。
实现智能照明调控。为了满足不同用户对照明灯具控制的需要,有多种模式可供选择,如:端子控制节能动行模式;时间控制节能运行模式;通讯控制节能运行模式。可按现场实际情况,通过天文钟、智能探头或内部编程、远程计算机遥控,实现时控、光控、程控等多种智能化控制。并可根据不同时段、不同灯具、不同亮度要求。
调控装置采用手动和自动双旁路系统,以保证照明设备不断电,正常安全运行;串行通信遥测、遥信、遥感、遥控等功能,并可与上位机组网,执行调度指令,实现中心系统控制。
安装调试简便,不改变原接线模式,免维护,无需设专人管理,降低维护费用,减少维护工作量。
(二)、产品节能及效益分析
以400W的高压钠灯为例,当电压从242伏降到154伏时输入功率变化如下:
|
分档 |
1 |
2 |
3 |
4 |
5 |
6 |
7 |
|
电压(V) |
242 |
220 |
216 |
212 |
201 |
192 |
154 |
|
输入功率(W) |
544 |
450 |
433 |
417 |
375 |
342 |
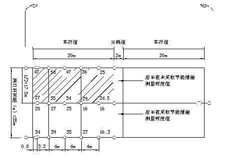
220 | 例:郑开大道,道路宽42m,10车道,12m高路灯,35m间距交错布置,后半夜电压从采用节能前240V变至采用节能后196V。 后半夜未采用节能时电压为242V时现场测量路面平均照明Eav=35lx,后半夜采用节能措施后电压为192V时,现场测量路面平均照度Eav=25lx。
 |
|
图一 后半夜采取节能措施前后所测照度值 |
假设郑开大道一台160KVA路灯箱变,所供路灯512盏,每盏400W、原方案用电量按平均每天11小时(前半夜4小时、后半夜7小时)计算: 前半夜 电压为220V:512×0.45(KW)×4(h)=922KWh 后半夜 电压为242V:512×0.544(KW)×7(h)=1950KWh 年用电量为2871×365=1048023 KWh,按0.5元/KWh计算,电费为52.4万。
采用智能化节能型箱式变后每天用电量: 1、前半夜 电压为220V:512×0.45(KW)×4(h)=922KWh 2、后半夜 电压为192V:512×0.342(KW)×7(h)=1226KWh 年用电量为2148×365=784020KWh,按0.5元/KWh计算,电费为39.2万。一年节约电费13.2万,节电率为25%以上。
一台160KVA普通箱变约13万的话,一台160KVA节能型箱式变约21万元,利用节约的电费,半年就能收回成本。
(三)、结论 由上述计算可见,采用智能化节能型箱式变,使用寿命为15年的话,例如石家庄市每年用于道路照明的电费为1800万元,假设采用此节能方式,除半年用于回收资金外,本市路灯行业每年可为国家节省约450万元。智能化节能型路灯箱式变电站,是一种最新的环保型节能装置,不但节电率高,而且还可延长光源的使用寿命,每年将为国家节省一笔很大的费用,其经济效益是非常可观的。
[1] [2] 下一页
|