3 硬件设计
本控制器主要由3部分组成:可控硅及移相触发电路部分,接收控制板的控制信号,实施交流电压的调节;信号检测板部分,接收传感器的信号并进行处理,得到标准电压和电流的有效值及功率因数有送控制板;单片机控制板部分,接收信号检测板的信号,通过控制运算发出控制信号到移相触发电路,实施最佳功率因数控制,同时控制板还通过键盘显示面板对控制器参数进行修改,并显示控制器运行状态。

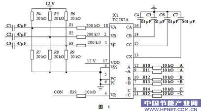
可控硅及移触发电路部分TC787芯片的基本连接如图1所示。
从同步变压器来的三相过零信号经C1、C2、C3电容耦合到6V的直流信号上送入18、2、1脚。TC787对其进行过零检测,经积分电容C4、C5、C6形成以过零点为起点的三角波,与由VR引入的触发控制信号比较,再经C7调制成触发脉冲,由12、9、10、7、8、11脚输出,由脉冲变压器驱动可控硅。

信号检测板部分标准电压和电流的有效值转换电路如图2所示。
此电路基于基本的绝对值电路,增加了滤波电容C1,将交流信号的绝对值变为平均值;合理设计R5的阻值,将平均值变为有效值。

相位检测电路如图3所示。
电压信号VA和电流信号IA经与微电平信号REF比较,取得电压和电流信号的正半周;经RC滤波后由信号“或”电路,形成含有功率因数角的信号;由单片机去除其中的电压半周期,即得功率因数角。

单片机控制板部分基本电路如图4所示。
TLC0834是4路8位A/D转换器,采集1路电压和3路电流信号;TLC5615是10位串行D/A,将控制量变为模拟电压信号,去控制可控硅交流调压;X25045是含WDT和EEPROM的多功能电路,负责单片机系统的安全监视和重要参数的保护;SN75176是RS485接口,实现连网监控。
上一页 [1] [2] [3] 下一页
|